Conrad johnson premier two
Pièces détachées, bonnes adresses, ...
Conrad johnson premier two
#1 par tmkart50 » 25 Déc 2023 à 22:14
Bonjour
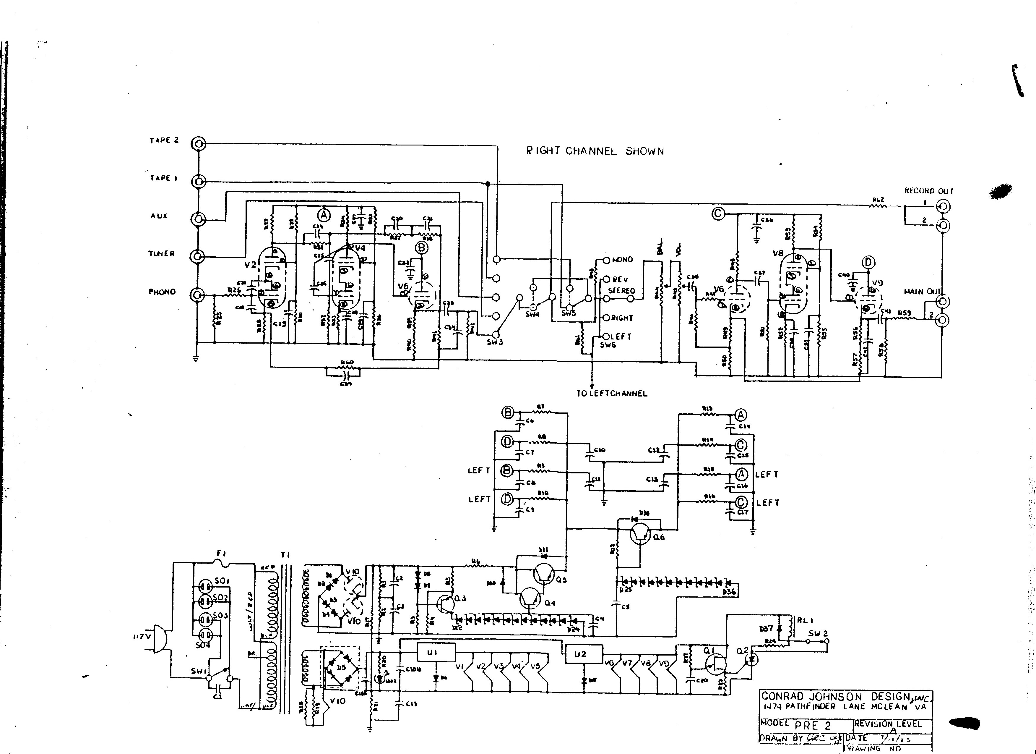
Je suis a la recherche du schéma du preampli conrad johnson premier two
Le mien est illisible
Didier
Je suis a la recherche du schéma du preampli conrad johnson premier two
Le mien est illisible
Didier
-

tmkart50 - 1 watt

- Messages: 81
- Inscription: 28 Jan 2015 à 10:19
- Localisation: Granville
-

bricoldur - 100 watts

- Messages: 2241
- Inscription: 01 Mar 2012 à 06:03
- Localisation: NORMANDIE SUD
Re: Conrad johnson premier two
#3 par mattera » 27 Déc 2023 à 12:08
tmkart50 » 25 Déc 2023, 22:14 a écrit:Bonjour
Je suis a la recherche du schéma du preampli conrad johnson premier two
Le mien est illisible
Didier
Bonjour
Je n'ai que ça, si ça peut t'aider un peu...
-

mattera - 100 watts

- Messages: 2448
- Inscription: 21 Oct 2010 à 23:06
Re: Conrad johnson premier two
#4 par mascarille2 » 27 Déc 2023 à 12:26
Un système Quad
pré amplis 33 & 34
ampli 303
Lecteur cd 2 Naim
Magnéto Akai GX 265 D
Platine Project & Pré Phono Project à tubes
Dac Thêta DS pro Prime 2
enceintes PEL Alégria
pré amplis 33 & 34
ampli 303
Lecteur cd 2 Naim
Magnéto Akai GX 265 D
Platine Project & Pré Phono Project à tubes
Dac Thêta DS pro Prime 2
enceintes PEL Alégria
-

mascarille2 - 100 watts

- Messages: 1013
- Inscription: 27 Déc 2020 à 20:51
- Localisation: Banlieue rennaise
-
Re: Conrad johnson premier two
#5 par bricoldur » 28 Déc 2023 à 09:25
Merci !
C’est fou on trouve tout sur le vert
C’est fou on trouve tout sur le vert
-

bricoldur - 100 watts

- Messages: 2241
- Inscription: 01 Mar 2012 à 06:03
- Localisation: NORMANDIE SUD
Re: Conrad johnson premier two
#6 par tmkart50 » 30 Déc 2023 à 17:09
Merci Mattera
J'ai le même mais le tient est plus lisible
Merci
-- 30 Déc 2023 à 17:10 --
Merci Mattera
J'ai le même mais le tient est plus lisible
Merci
J'ai le même mais le tient est plus lisible
Merci
-- 30 Déc 2023 à 17:10 --
Merci Mattera
J'ai le même mais le tient est plus lisible
Merci
-

tmkart50 - 1 watt

- Messages: 81
- Inscription: 28 Jan 2015 à 10:19
- Localisation: Granville
Re: Conrad johnson premier two
#7 par tmkart50 » 30 Déc 2023 à 17:51
Merci Mattera
J'ai le même mais le tient est plus lisible
Merci
-- 30 Déc 2023 à 17:51 --
Merci Mattera
J'ai le même mais le tient est plus lisible
Merci
J'ai le même mais le tient est plus lisible
Merci
-- 30 Déc 2023 à 17:51 --
Merci Mattera
J'ai le même mais le tient est plus lisible
Merci
-

tmkart50 - 1 watt

- Messages: 81
- Inscription: 28 Jan 2015 à 10:19
- Localisation: Granville
Qui est en ligne
Utilisateurs parcourant ce forum: Aucun utilisateur enregistré et 6 invités
Développé par phpBB® Forum Software © phpBB Group
Faire un don





