La carpe et le lapin, mon intégré
Re: La carpe et le lapin, mon intégré
#21 par babaas » 01 Fév 2020 à 20:14
LUX35 » 01 Fév 2020, 16:01 a écrit:Bonjour Babaas,
Si tu veux aller plus loin en clarté et définition, tu peux obtenir cette amélioration en changeant les 6 électrolytiques 10uF Silmic II de liaison (3 par canal) de l'entrée vers la sortie du préampli par des 0,22uF/1uF/3,3uF par des MKP.
Toutefois à la vue de la transformation, ces MKP demandent quelques réflexions pour les intégrer sur le PCB.
A+
Christophe
Merci pour l'info mais je ne souhaite pas me lancer dans ce genre d'expérimentation où à un moment tu ne sais plus où tu en es.
Et puis si je devais changer les 10µF, je partirai sur une nouvelle CI dimensionnée correctement plutôt que ce genre de bidouille.
De plus, le résultat obtenu m'enchante. Le gain à acquérir serait plus au niveau des sources.
-

babaas - 500 watts

- Messages: 6566
- Inscription: 30 Juin 2010 à 14:34
- Localisation: Toulouse
-
Re: La carpe et le lapin, mon intégré
#22 par mkl » 01 Fév 2020 à 22:32
LUX35 » 01 Fév 2020, 18:21 a écrit:Bonjour MKL,
Fait par plusieurs, et cela marche suivant zen mod.
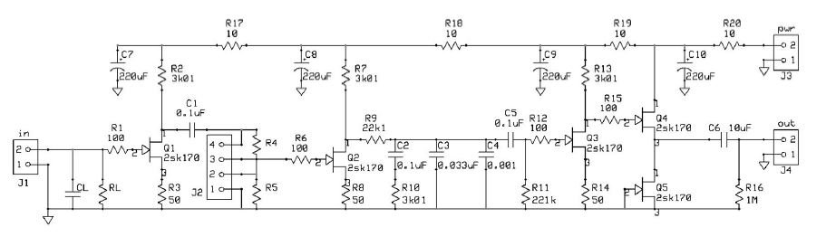
Avec les nouvelles valeurs MKP (0,22uF, 1,0uF et 3,3uF au lieu de 10uF), le -3 dB est de 10 Hz à 65 kHz.
A 20 Hz, la réponse est en baisse d'une petite fraction de dB seulement.
Pour exemple (ce n'est pas le mien):
[ Image ]
A+
Christophe
OK. Zen Mod sait généralement ce qu'il fait et a calculé ses modifs.
“It's entertainment, not dialysis.” (Nelson Pass)
-

mkl - 500 watts

- Messages: 16350
- Inscription: 21 Oct 2010 à 19:34
- Localisation: Bretagne Zone HR
-
Re: La carpe et le lapin, mon intégré
#23 par Tron_ic » 02 Fév 2020 à 12:42
LUX35 » Hier à 16:01 a écrit:A défaut d'intérêt du tube dans ce système pour travailler sur les H2 comme tu prétends le penser suivant ton expérience, il y a aussi en proto un en all Jfet et cela match aussi bien mais en mieux que moins moins bien.
En espérant t'avoir rassuré.
Là oui ça me parle et c'est à mon avis autrement plus cohérent ! Nelson Pass à également commis un Buffer All Fet un peu plus étoffé qui me semble être le B1 (à vérifier). J'ajouterais que perso dans ce contexte je ne suis pas pour les solutions hybrides c'est soit du tube ou soit semi-conducteur
Salutations. Tony
Le Blog audio de Tony
-

Tron_ic - 100 watts

- Messages: 3189
- Inscription: 08 Nov 2011 à 11:33
- Localisation: Switzerland
Re: La carpe et le lapin, mon intégré
#24 par babaas » 02 Fév 2020 à 17:58
-

babaas - 500 watts

- Messages: 6566
- Inscription: 30 Juin 2010 à 14:34
- Localisation: Toulouse
-
Re: La carpe et le lapin, mon intégré
#25 par Tron_ic » 02 Fév 2020 à 19:36
babaas a écrit:Pensée binaire quand tu nous tiens.
C'est pas ma pensée qui est binaire, mais le choix de la technologie à employer !
Salutations. Tony
Le Blog audio de Tony
-

Tron_ic - 100 watts

- Messages: 3189
- Inscription: 08 Nov 2011 à 11:33
- Localisation: Switzerland
Re: La carpe et le lapin, mon intégré
#26 par babaas » 25 Avr 2020 à 10:45
Voici la version définitive de mon ampli intégré :
Changement apporté :
-Remplacement de la carte préampli à tube Korg par le buffer B1 de Nelson Pass
https://www.passdiy.com/project/preamplifiers/b1-buffer-preamp
-Rajout d'une alimentation sur la partie amplification, du coup chaque module NCore a sa propre alim.
-Remplacement des transfos Sowter par des amplis DRV134
http://www.ti.com/lit/ds/symlink/drv135.pdf?ts=1587803662058
Du coup, le résultat est surprenant.
Même si il faut toujours rester prudent concernant l'avenir; je tiens là, je pense, mon intégré à vie.
Avis aux Toulousains : il serait intéressant que je fasse le tour des installations avec cet ampli.
-
-

babaas - 500 watts

- Messages: 6566
- Inscription: 30 Juin 2010 à 14:34
- Localisation: Toulouse
-
Re: La carpe et le lapin, mon intégré
#27 par mkl » 25 Avr 2020 à 11:15
Les 1µF, ce sont des Amtrans?
“It's entertainment, not dialysis.” (Nelson Pass)
-

mkl - 500 watts

- Messages: 16350
- Inscription: 21 Oct 2010 à 19:34
- Localisation: Bretagne Zone HR
-
Re: La carpe et le lapin, mon intégré
#28 par babaas » 25 Avr 2020 à 11:18
mkl a écrit:Dis donc, tu n'as pas fait semblant pour les capas du B1.Du V-Cap, carrément. Mazette.
Les 1µF, ce sont des Amtrans?
Oui, ce sont des Amtrans. Prix raisonnable, encombrement fait pour les CI transistors, et surprenant à l'écoute.
Concernant les V-Cap, tu vas rire, je les ai retrouvé dans mes fonds de tiroir.
-

babaas - 500 watts

- Messages: 6566
- Inscription: 30 Juin 2010 à 14:34
- Localisation: Toulouse
-
Re: La carpe et le lapin, mon intégré
#29 par babaas » 20 Aoû 2020 à 17:02
Qu'est-ce qu'on peut dire comme connerie des fois.
Après plusieurs mois d'écoute, je me suis rendu compte que l'étage phono n'allait pas. Restitution tendue, quelques duretés, fatigante sur la durée.
Après quelques renseignements pris à droite et à gauche, il semblerait que j'avais un problème d'adaptation d'impédance. Le schéma minimaliste n'était pas idéal dans mon cas.
Du coup, je suis passé au modèle supérieur avec un étage en entrée, avec réglage des charges Résistance et Capacitance ainsi que du gain voulu; puis un étage de sortie.
Le tout monté au chausse-pieds. L'ampli etant rempli comme un œuf.
Inutile de dire que ça va beaucoup mieux. J'ai maintenant une restitution qui va au delà de ce que je pouvais attendre.
Sachant que, pour l'instant, rien n'est rodé; j'ose imaginer ce que cela va être.
Cette fois, c'est sûr, l'ampli est fini.
-

babaas - 500 watts

- Messages: 6566
- Inscription: 30 Juin 2010 à 14:34
- Localisation: Toulouse
-
Re: La carpe et le lapin, mon intégré
#30 par oliv44 » 22 Aoû 2020 à 23:44
Ouaiiiis ... on dit ça.
Cela me fait penser à mes propres amplis ... dans la phase inverse : de l'intégré aux préampli et ampli(s) "éclatés".
Avec des modules classDaudio (alimentés SMPS) à la place de tes hypex ... et un B1 comme le tien en préamp ... sauf que l'avantage de l'intégré c'est que tu ne t'amuses pas à brancher "un-autre-truc-pour-essayer", ne prenant ainsi pas le risque que ce dernier s'avère "100 fois plus-mieux-bien".
C'est comme ça que le B1 Pass a été dégagé au profit du schéma "préampli" de kanéda qui le dépassait en tout. J'ai juste ajusté 4 résistances pour adapter le gain car les classD n'en ont guère besoin (schéma "low boost" prévu par Kanéda dès le départ).
Et là, je viens de passer commande de ce que je gage être l'une de tes prochaines modif : potar de meilleure qualité, motorisé et télécommandé ... j'me trompe ?
- Les Escrocs - Faites vous des amis - 1994
J'ajouterais "naviguer", mais c'est personnel.
-

oliv44 - 50 watts

- Messages: 841
- Inscription: 21 Juin 2016 à 23:25
- Localisation: Over the Rainbow
Re: La carpe et le lapin, mon intégré
#31 par pedro » 23 Aoû 2020 à 12:50
babaas » 25 Avr 2020, 10:45 a écrit:Avis aux Toulousains : il serait intéressant que je fasse le tour des installations avec cet ampli.
Alors ca a donné quoi ?
Y a des bruits qui circulent …
-

pedro - 500 watts

- Messages: 12935
- Inscription: 21 Oct 2010 à 18:17
-
Re: La carpe et le lapin, mon intégré
#32 par GuyM82 » 23 Aoû 2020 à 13:04
Guy
-

GuyM82 - 100 watts

- Messages: 2442
- Inscription: 25 Oct 2010 à 18:56
- Localisation: 82000 MONTAUBAN (que l'on ne devrait jamais quitter...)
Re: La carpe et le lapin, mon intégré
#33 par pedro » 23 Aoû 2020 à 13:28
tu prefere satanic qui viole et s'essuie le zboube au rideau en partant ?
et bien rassure toi tu est normal
-

pedro - 500 watts

- Messages: 12935
- Inscription: 21 Oct 2010 à 18:17
-
Re: La carpe et le lapin, mon intégré
#34 par mkl » 23 Aoû 2020 à 14:09
oliv44 » 22 Aoû 2020, 23:44 a écrit:C'est comme ça que le B1 Pass a été dégagé au profit du schéma "préampli" de kanéda qui le dépassait en tout. J'ai juste ajusté 4 résistances pour adapter le gain car les classD n'en ont guère besoin (schéma "low boost" prévu par Kanéda dès le départ).
Quel préampli Kaneda?
Parce qu'il y en a un paquet...
“It's entertainment, not dialysis.” (Nelson Pass)
-

mkl - 500 watts

- Messages: 16350
- Inscription: 21 Oct 2010 à 19:34
- Localisation: Bretagne Zone HR
-
Re: La carpe et le lapin, mon intégré
#35 par babaas » 23 Aoû 2020 à 14:21
oliv44 » 22 Aoû 2020, 23:44 a écrit:" Cette fois, c'est sûr, l'ampli est fini "
Ouaiiiis ... on dit ça.
Cela me fait penser à mes propres amplis ... dans la phase inverse : de l'intégré aux préampli et ampli(s) "éclatés".
Avec des modules classDaudio (alimentés SMPS) à la place de tes hypex ... et un B1 comme le tien en préamp ... sauf que l'avantage de l'intégré c'est que tu ne t'amuses pas à brancher "un-autre-truc-pour-essayer", ne prenant ainsi pas le risque que ce dernier s'avère "100 fois plus-mieux-bien".
C'est comme ça que le B1 Pass a été dégagé au profit du schéma "préampli" de kanéda qui le dépassait en tout. J'ai juste ajusté 4 résistances pour adapter le gain car les classD n'en ont guère besoin (schéma "low boost" prévu par Kanéda dès le départ).
Et là, je viens de passer commande de ce que je gage être l'une de tes prochaines modif : potar de meilleure qualité, motorisé et télécommandé ... j'me trompe ?
Le B1 a dégagé le Nutube sans équivoque.
Il y a sûrement mieux que le B1, mais l'ensemble me convient aujourd'hui.
Comme dit Pedro: c'est l'histoire du clou qui chasse l'autre.
J'étais parti pour faire un intégré qui corresponde à mes attentes, et c'est le cas. Je ne souhaite plus à faire toujours mieux.
Je vais probablement faire de l'ajustement (le potar est une piste, en effet), mais ce sera à la marge.
Sinon, tu avais mis quoi comme capas sur ton B1, car il est très sensible à ce niveau ?
pedro a écrit:
Alors ca a donné quoi ?
Y a des bruits qui circulent …
Ben rien puisque je n'ai pas eu d'invitations.
Vous êtes devenus tout mou à ce que je vois.
-

babaas - 500 watts

- Messages: 6566
- Inscription: 30 Juin 2010 à 14:34
- Localisation: Toulouse
-
Re: La carpe et le lapin, mon intégré
#36 par LUX35 » 23 Aoû 2020 à 15:40
Je verrai bien un potar Muses 72320 avec telco sur ta machine de guerre !
A+
Christophe
-

LUX35 - 50 watts

- Messages: 916
- Inscription: 02 Nov 2010 à 19:02
- Localisation: Sud Rennes
-
Re: La carpe et le lapin, mon intégré
#37 par pedro » 23 Aoû 2020 à 18:09
babaas » 23 Aoû 2020, 14:21 a écrit:je n'ai pas eu d'invitations.
sur un air de claude francois " je suis le maaaaaaal aiméééé-ééh "
-

pedro - 500 watts

- Messages: 12935
- Inscription: 21 Oct 2010 à 18:17
-
Re: La carpe et le lapin, mon intégré
#38 par babaas » 23 Aoû 2020 à 18:41
LUX35 » 23 Aoû 2020, 15:40 a écrit:Bonjour Babaas,
Je verrai bien un potar Muses 72320 avec telco sur ta machine de guerre !
A+
Christophe
Je ne connaissais pas. Merci pour l'info.
pedro a écrit:
sur un air de claude francois " je suis le maaaaaaal aiméééé-ééh "
M'enfous, na !
-

babaas - 500 watts

- Messages: 6566
- Inscription: 30 Juin 2010 à 14:34
- Localisation: Toulouse
-
Re: La carpe et le lapin, mon intégré
#39 par oliv44 » 23 Aoû 2020 à 23:10
babaas » Aujourd’hui à 14:21 a écrit:Le B1 a dégagé le Nutube sans équivoque.
Il y a sûrement mieux que le B1, mais l'ensemble me convient aujourd'hui.
Comme dit Pedro: c'est l'histoire du clou qui chasse l'autre.
J'étais parti pour faire un intégré qui corresponde à mes attentes, et c'est le cas. Je ne souhaite plus à faire toujours mieux.
Je vais probablement faire de l'ajustement (le potar est une piste, en effet), mais ce sera à la marge.
Sinon, tu avais mis quoi comme capas sur ton B1, car il est très sensible à ce niveau ?
Attention, loin de moi l'idée que le B1 n'est pas (assez) bien ... au contraire ! c'était fin, silencieux, dynamique ... et question gestion du volume avec son gain zéro, le top devant mes amplis. je disais juste que de l'avoir intégré ... évite justement le "matos rolling", et que c'est finalement pas un mal, car effectivement le clou chasse l'autre et au final on devient des éternels insatisfaits.
Les capas étaient des Jantzen Silver-Z.
Reste que la telco ... on y vient tous un jour ou l'autre.
- Les Escrocs - Faites vous des amis - 1994
J'ajouterais "naviguer", mais c'est personnel.
-

oliv44 - 50 watts

- Messages: 841
- Inscription: 21 Juin 2016 à 23:25
- Localisation: Over the Rainbow
Re: La carpe et le lapin, mon intégré
#40 par R.C. » 24 Aoû 2020 à 11:43
babaas » 23 Aoû 2020, 14:21 a écrit:Le B1 a dégagé le Nutube sans équivoque.
Il y a sûrement mieux que le B1, mais l'ensemble me convient aujourd'hui.
Comme dit Pedro: c'est l'histoire du clou qui chasse l'autre.
J'étais parti pour faire un intégré qui corresponde à mes attentes, et c'est le cas. Je ne souhaite plus à faire toujours mieux.
Je vais probablement faire de l'ajustement (le potar est une piste, en effet), mais ce sera à la marge.
Sinon, tu avais mis quoi comme capas sur ton B1, car il est très sensible à ce niveau ?
Bonjour,
Un buffer B1 à alim symetrique permet de virer (economiser !) les condos sur le chemin du signal
Ou bien ceci, tout fait , architecture un peu differente , fets complémentaires :
https://www.ebay.fr/itm/TOSHIBA-2SK246- ... SwZIVdiOpi
Tu n'es pas tenté ?
RC
-

R.C. - 100 watts

- Messages: 1151
- Inscription: 29 Oct 2010 à 19:52
- Localisation: Nord - Lille/St Amand
Qui est en ligne
Utilisateurs parcourant ce forum: Aucun utilisateur enregistré et 5 invités
Faire un don

